自作基板の製作や試作回路を組む際に、ピッチ変換基板を使う場面は意外と多いものです。
いわゆる、ブレッドボード上で扱いやすいように2.54mmピッチへ変換するDIP化基板と呼ばれるものですね。
市販品を使うことももちろんありますが、ちょうどいいものが見つからなかったり、自分の環境に合わせてもう少し使いやすくしたいと感じることも少なくありません。
そういった場合は、用途に合わせて自作したりもしています。
この手の基板は一度作っておくと後々便利に使えるため、ブレッドボードを使って回路を組む際に不便を感じたポイントを元に、定期的に製作するようにしています。
これまでに製作した、ピッチ変換基板やブレッドボードで便利に使えるボードなどは、こちらの『ブレッドボード便利基板』というタグでまとめています。
今回は、試作回路を組む時や自作基板製作で個人的によく使用しているDPDTスイッチ向けに、シンプルなピッチ変換基板を製作してみました。
DPDTスイッチ ピッチ変換基板の製作
試作回路を組む際にDPDTスイッチを使うことは結構多いのですが、いざブレッドボードで使おうとすると、これがなかなか扱いづらく感じる場面が多く、以前から少し気になっていました。
ピン配置が独特?なこともあり、スイッチサイズやピッチによってはブレッドボードにうまく挿さらないことが多く、どうしても取り回しが悪くなりがちです。
私の用途としては、試作回路だけでなく自作基板上でもDPDTスイッチを扱うことがこれまで多く、ブレッドボードでも扱いやすいサイズのスイッチや、ちょうどいいピッチ変換基板がないか探していましたが・・・
汎用的に使えそうなものは意外と種類が限られているようです。
それならば、自分で作ってしまえ…ということで、シンプルなピッチ変換基板を製作してみることにしました。
DPDTスイッチとは?
DPDTスイッチとは、「Double Pole Double Throw」の略で、2系統の回路を同時に切り替えることができるスイッチです。
1つの操作で2つの回路を同時にON/OFFしたり、接続先を切り替えたりできるのが特徴です。
例えば、このような使い方ができます。
スイッチ操作により電圧を切り替え、それに連動してインジケーターLEDの点灯色を変える、といった使い方です。
またこのように接続すれば、スイッチ操作により極性(モーターの回転方向)を入れ替えることも出来ますね!
このように電源の切り替えや信号のルーティングなど、用途によっては便利に使えるスイッチです。
スイッチ自体の見た目としては6ピン構成のものが一般的で、内部的には2つのスイッチが連動して動作するようなイメージになります。
6ピンスイッチなのでブレッドボードで扱う際は、基本的にセンターを跨いで使う形になりますが・・・
この配置にうまくフィットするスイッチは意外と選択肢が限られており、さらにスイッチという性質上、ある程度しっかりとブレッドボードに固定できた方が扱いやすくなります。
そのため、DIP化基板を介して扱うことで、配線のしやすさと機械的な安定性の両方を確保できるようになると思います。
シンプルなピッチ変換基板として設計
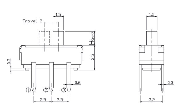
DPDTスイッチと一口に言ってもサイズやピン配置などさまざまですが、これまで自作基板製作でもよく利用している手持ちのスイッチに合わせて、専用のDIP化基板を設計することにしました。
このスイッチは約2.5mm×3.2mmピッチで配置されたコンパクトなタイプで、ブレッドボード上でも扱いやすいサイズ感に加え、小型ながら操作性も良いため、自作基板製作でもこれまでよく使用しているものです。
秋月電子でも入手しやすい点もあり、継続的に使っている部品として扱いやすいのも選定理由のひとつです。
ただ、このピッチのままではブレッドボードで直接扱うことができません!
このスイッチのピッチ変換基板としてブレッドボード上での取り回しを考え、4×4ピッチ分とかなりコンパクトなボードサイズにしました。
使用時は基本的にブレッドボードのセンター溝をまたぐ形で配置して使用することを想定しています。
また、用途によっては下図左のように配置し、シンプルな2ポジションスイッチとして扱うこともできます。
こういう接続になりますね。
JLCPCBに発注
基板の製造は、今回もJLCPCBを利用しました。
今回製作したピッチ変換基板の基板データ(ガーバーファイル)をダウンロードできるようにしておきます。
何かの参考になればと思います。
発注時の設定は、特別な指定は行わずデフォルト設定で問題ありません。
JLCPCBの基本的な基板発注方法は、こちらの記事でまとめています。
あわせて見て頂ければと思います。

私の用途では4~5枚程度あれば日々の試作回路を組むのに十分なのですが、このサイズの基板で単体発注する場合、数量を増やしても価格があまり変わらないため、今回はまとめて20枚発注しました。
このような小型基板は消耗品としても使いやすく、ストックしておくことで必要なときにすぐ使えるのも利点です。
最後に、スイッチとピンヘッダーを取り付けて完成です。
最後に!
今回製作したDPDTスイッチ用のピッチ変換基板は、非常にシンプルなものですが、これまでブレッドボードで試作回路を組む際に毎回面倒に感じていた部分をしっかり解消してくれるものとなりました。
ピン配置や固定のしづらさといった小さなストレスも、このように基板を1枚挟むだけで大きく改善され、試作時の作業性も向上します。
こういったピッチ変換基板は一見地味ではありますが、日々の試作回路を組む際のちょっとした手間やストレスを減らしてくれる存在でもあります。
用途に合わせて簡単に自作出来るものでもあるので、よく使う部品についてはあらかじめ用意しておくことで、後々の試作や検証に便利に使えます。
今後も、不便に感じたポイントをもとに、このような基板を「ブレッドボード便利基板シリーズ」として、少しずつ製作していきたいと思います。






















コメントを残す