『waffling60』というオープンソースで公開されている自作キーボードを『Bakeneko60』ケースとの組み合わせで組んでみました!
waffling60はGH60互換の60%キーボード用の基板で、複数のPCBバージョンがあり多様なレイアウトに対応し多くのケースとの互換性もあります。
前々から試してみたかったOリングガスケットマウントに対応したBakeneko60ケースとの組み合わせで今回組んでみました。
製作後2ヶ月ほど使っているのですが、お気に入りキーボードの一つとなり、本ブログ記事を書くのに使うなど普段使いの常用キーボードとして使うようになりました。
目次
オープンソースの自作キーボード『waffling60』をBakeneko60ケースとの組み合わせで組んでみる!
普段使いで常用出来る60%サイズの自作キーボードを探していたところ、『Bakeneko60』という有名なオープンソースのキーボードに魅力を感じました。
Oリングによるガスケットマウントが採用されたキーボードで、『これは試してみたい!』となったのですが・・・
しかし残念なことにオープンソースで公開されているBakeneko60は、ホットスワップには非対応なようです!
Bakeneko60のホットスワップに対応したPCBデータって無いのかな?
海外のサイトでは対応したやつ販売されてるみたいなのに!PCB全体をOリングで囲ってガスケットにする・・・どんなものか試してみたい🤔
— ガジェット大好き!! (@smartphone_jp1) January 9, 2025
調べてみるとホットスワップ対応のカスタムされたPCBが販売されているようですが、それを購入するなら自分でカスタムPCBを作ってしまおうか・・・
そんな時に出会ったのが、同じくオープンソースで公開されている『waffling60』です。
waffling60 / 4pplet
『waffling60』は4pplet氏設計のオープンソースで提供される60%キーボード用PCBで、一般的なANSIおよびISOレイアウト、分割スペースをサポートするマルチレイアウトPCBとなっています。
複数のPCBバージョンがあり、ALPSおよびCherry MXスイッチへの対応、特定のケースとの互換性など多くの特徴があります。
Bakeneko60と互換のPCBフォームファクタを持ち、ホットスワップへの対応やISO/ANSIレイアウトの選択などができ、これはまさに理想的、私が探していたものです!
このwaffling60をベースにBakeneko60ケースとの組み合わせで、Oリングガスケットマウントを採用した60%キーボードを組んでみることにしました。
参考 waffling60GitHub 参考 bakeneko-60GitHubちなみにBakeneko60ケースで使う場合、Unified Daughterboard(USBドーターボード)も必要となります!
参考 Unified-Daughterboard / UDB-C-JSHGitHub- オンボードSTM32搭載
- QMK/Via対応
- 16個のアンダーグローLED
- Bakeneko60 / Poraris / Kei ケースと互換性あり
- ホットスワップ対応PCBあり
- ANSI / ISO レイアウト対応
- 分割スペースバー対応
- ALPSスイッチ対応PCBあり
今回上記GitHubページに公開されているデータを使いJLCPCBで基板や3Dプリントケースを製造してもらい製作しましたが、販売サイト4PPLET.comには実装済みのメインPCBやキープレートが販売されています。
興味はあるけど自身で基板発注やパーツ実装をするのが手間だと感じる方は、少しお高くなりますが販売サイトから完成品を購入されるのもいいかと思います。
参考 PCB/Plates4PPLET必要なデータをダウンロード
waffling60には多くのレイアウト・PCBバージョンがあるので、まず必要なデータをダウンロードしてCAD上で組み確認することにしました。
今回私が製作&組み上げたものは、[MX Hot Swap ANSI]バージョンのPCBを使いました。
対応レイアウトはこのようになっています。
基板やキープレートデータなどの製造用ファイルは、GitHubのリリースページからダウンロード出来ます。
メインPCBのデータは[Production files for waffling60MXHS-ANSI Rev E1]を使いました。
またキープレートは[Waffling60 Tray mount FR4 Plate V2]を使いました。
そしてOリングガスケットマウントのBakeneko60ケースで使う場合は、[Unified Daughterboard]も必要となります。
接続ケーブルがJST-SHコネクタになったV5.0のものを使いました。
あとはBakeneko60ケースをダウンロード。
以上、waffling60のメインPCBおよびキープレート、Unified Daughterboard、Bakeneko60ケースデータと必要な全ての製造データが揃いました!
CAD上で組んでみる
waffling60はレイアウトやPCBのバリエーションが多いため、PCBとケース、またキースイッチやキーキャップ・スタビライザーなど実際に全て組んでみないと自分が望むレイアウトで問題なく組めるのかよく分からなかったので、まずCAD上で全て組んで確認しました。
上記データの組み合わせで問題ないようです。
分割スペースといったレイアウトで使うことも出来ますが、ひとまずベーシックな?7Uスペースで製作してみることにしました。
CAD上での確認が出来たので発注に進みます。
ケースデータはオリジナルのBakeneko60ケースのUnified Daughterboardを固定する部分をタッピングビスから変更しインサートナットでビス固定出来るように一部データ修正したものを今回発注しました。
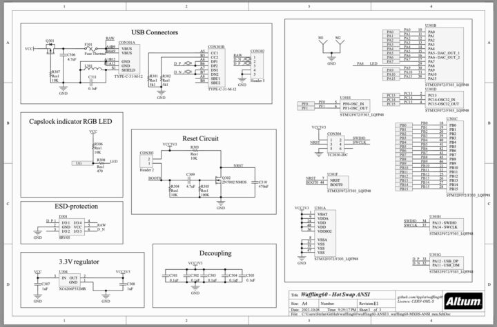
waffling60のPCB設計データはKiCadではなくAltiumで設計されていたことから、基板データのチェックは少し面倒でしたが・・・
waffling60はオンボードSTM32で設計されたPCBとなっており、回路設計が非常に丁寧?参考になったのも作ってみようと思った要因の一つです!
QMK対応のオンボードSTM32を使った自作キーボードの回路設計例としても参考になると思います。(下記はメイン回路部分です)
JLCPCBに基板を発注
今回の製作では全てJLCPCBに製造を依頼して製作しました。
waffling60のメインPCBおよびキープレートPCB、そしてUnified DaughterboardはJLCPCBに発注、そしてBakeneko60ケースはJLC3DPに発注しました。
JLC3DPはJLCPCBの関連サービスとなるので、PCBと3Dプリントパーツを同梱で発注すれば送料も1回分で済むのでお得です!
それではJLCPCBの発注についても見ていきます。
waffling60は、基板データ(ガーバーファイル)以外にBOM(部品表データ)やCPL(部品配置リスト)も公開されているのでパーツ実装サービス(PCBA)を利用することも出来ますが、今回基板のみを発注しパーツの実装は自分で行いました。
PCBAでの発注方法は、少し長くなるので今回は割愛します!
メイン基板
まずメイン基板の発注です。
ダウンロードしたメイン基板のガーバーファイルをJLCPCBのサイトにドラッグ&ドロップしてアップロードします。
発注項目の選択は特記すべきところはありませんが、
[PCB上のマーク]の[マーク除去]はJLCPCBでは無料で出来るオプションとなり、余計なシルクプリントがされないため選択しておいた方がいいでしょう。PCBカラーはお好みで!
メイン基板の製造料金は14.2ドルとなりました。(表面仕上げにHASLを選択)
金メッキ加工された綺麗な基板に仕上がるので、自作キーボード用基板としてはインパクトがありいいかもしれません。
また、パッド部分が綺麗な平坦で仕上がるのでリフローでのパーツ実装もしやすくなります!
あと実装方法にもよりますが、waffling60では抵抗やコンデンサは0603サイズのパーツがメインで使われコアとなるSTM32もはんだ作業に慣れていれば手はんだでの実装も十分可能だと思いますが、リフローやヒートガンを使って実装することを前提にステンシルも一緒に発注しておいた方がいいと思います。
ステンシルを一緒に発注する場合、[PCBと一緒に発注する]にチェックを入れます。
JLCPCBではステンシルを発注する際にサイズを指定しないとかなり大きなサイズで届いてしまいます。
メイン基板のサイズは約284mm×94mmとなっているので、300mm×120mmにサイズ指定を行い発注しました。(サイズ指定は無料です)
実装面は[トップ面]になるので指定を間違わないように!
ステンシル料金7ドルがプラスされメイン基板の製造料金のトータルは21.20ドルとなりました。
スイッチプレート
次にスイッチプレートです。
同様にガーバーファイルをJLCPCBのサイトにアップロードし項目を選択します。
選択項目は先程と同じで、こちらはステンシルは必要ありません!
スイッチプレートの製造料金は14.2ドルとなりました。
Unified Daughterboard
こちらもガーバーファイルをサイトにアップロードし同様に項目を選択します。
こちらのボードはESD対策用の非常に小さなチップが使われています。
ステンシルの発注は必須になるかと思います。
50mm×50mmにステンシルサイズを指定して発注しました。
ステンシル料金を含めた製造料金は14.10ドルとなりました。
以上、メイン基板・スイッチプレート・Unified Daughterboardの基板製造料金のトータルは約50ドルほどとなり、これに配送料金(OCS Expressで10ドルほど)がプラスされることになります。
JLCPCBの基本的な基板発注方法やステンシルの発注に関しては、こちらの記事で詳しくまとめているのであわせて見て頂ければと思います。

JLC3DPにケースを発注
次にケースをJLC3DPに発注します。
基板のみの発注であれば3Dプリントパーツも同梱で発注することが出来るので送料も1回分で済ますことが出来ます。(PCBAを利用する場合は別発注になります)
3Dプリントデータ(STL/STEP)をJLC3DPのサイトにアップロードします。
今回製作したケースは、アンダーグロー(LED)を活かすために、[SLA(Resin)]にある透明レジン[8001 レジン]を選択しました。
8001レジンを選択した場合のケース料金は約57ドルほどとなりました。
JLC3DPの基本的な発注方法などはこちらの記事で詳しくまとめているのであわせて見て頂ければと思います。


基板&ケースの到着
ちょうど発注のタイミングがJLC3DPさんの施設増設の期間と重なったことから、今回基板と3Dプリントしたケースは別で発注しました。
JLCPCBに発注した基板は発注から8日ほどで手元に届きました。
ENIGで仕上げた基板は非常に綺麗な仕上がりです!
慣れていれば比較的簡単なパーツ実装となり、ごく一般的によく使われるパーツ構成なので手持ちパーツや自身でパーツを揃え実装すればお安く製作することが出来ると思います。
PCBAを利用する場合だとENIGのオプションを付けるとエコノミック非対応となってしまうので結構な金額になってしまいます。
パーツ実装は、メインボードよりもUnified Daughterboardの方が難しいかもしれません。
リフローでブリッジしてしまうと、コテを入れるクリアランスが無いので大変そうです!
そして時期をズラし別発注した3DプリントケースもJLC3DPから届きました。
JLC3DPの3Dプリントパーツは選択するマテリアルにより製造時間は大きく異なります。
透明レジン(8001 レジン)では、通常だと発注から2週間ほどで手元に届きます。
ここまで綺麗に仕上げてもらえれば大満足です!
これは組む前からテンション上がりますね!
透明レジンは他社では結構高額マテリアルとして扱われていますが、JLC3DPでは比較的安価な価格設定がされているのでオススメです!
JLCPCB / JLC3DPさんのデカ箱届いてた📦
反り等なく、完璧な仕上がりです👍️
8001レジンでここまで綺麗に仕上がれば、もう何入れても映えるよなぁ😏 pic.twitter.com/Ew6Eyc7ouQ— ガジェット大好き!! (@smartphone_jp1) April 11, 2025
パーツの実装
基板のパーツ実装です。
PCBAサービスを利用される方はこの項目は飛ばして下さい!
私のように手作業でパーツを実装をされる方は、基板にリファレンスや定数などのシルクが入っていないのでメインとなるMCUまわりの主要パーツは下図と後述する使用パーツ一覧を参考に実装を行って下さい!
あとLEDは2020サイズの小さなものが使われています。
手はんだでの実装は難しくなるので、ダイオードを含めこれもまとめてリフローで実装しておきます。
残りのホットスワップソケットは手はんだでも簡単に出来るので、後で取り付けることにしました。
ステンシルを使いはんだペーストを塗布するのですが、マスキングテープを使い後で手はんだで取り付けるソケット部分を隠して行いました。
綺麗にはんだペーストを塗布することが出来ました。
パーツの実装はMHP50を使いました。
自作基板の製作でいつも愛用している非常に便利なミニリフロー装置です。
自作キーボード製作をされている方は、ピンポイントでマイコンボードの取り付け・取り外しなどをされる機会も多いかと思います。
PD電源が使えコンパクトなリフロー装置なので、作業スペースの邪魔にもなりにく一台持っていると大変重宝します!

キーボードの基板は普段電子工作で製作している基板サイズよりかなり大きくなります。
MHP50のホットプレートサイズ(50mm×50mm)を超えてしまうので、このような専用スタンドを使えばホットプレートサイズを超える大きな基板にも対応することが出来るので非常に便利です!

足曲がったチップのリカバリ完了してリフロー✅
綺麗に実装出来ました🙆♂️多分問題ないでしょう、ケーブル作って動作確認に進む…😁 pic.twitter.com/5jfnGkNsnX
— ガジェット大好き!! (@smartphone_jp1) March 29, 2025
実装の際の注意点ですが、Bakeneko60のようなOリングを使ったガスケットマウントケースでwaffling60を使用する場合、ケースに干渉する恐れがあるので基板のUSB端子(Type-C)は未実装にしておくのがいいと思います。(トレー式ケースを使う場合に使用する端子です)
PCとのUSB接続は、Unified DaughterboardからのケーブルをJST-SHコネクタに接続して行います!
リフロー後、残りのホットスワップソケットは手はんだで取り付けました。
次にUnified Daughterboardも同様にリフローで実装しました。
ESD対策用のこのチップが非常に小さく、さらにボードサイズも小さいのでこちらの実装の方が難しいかもしれません!
ブリッジした場合にはんだゴテでの修正がスペース的に困難となるので、一旦パーツを外し再リフローって感じになりそうです。
失敗すると結構ハマりそうですが・・・
こちらも一発で綺麗に実装出来ました。
以上で基板のパーツ実装は完了です!
ファームウェアを書き込み動作確認
パーツの実装が完了したらファームウェアを書き込み動作テストを行います。
メイン基板とUnified DaughterboardをJST-SH(4P)ケーブルで接続します。
メイン基板のコネクタとUnified Daughterboardのコネクタのピンアウトはこのようになっています。
通常のストレートタイプのケーブルだと端子位置が反転してしまうので、ケーブルの並びを入れ替える必要がありました!
接続が出来たらファームウェアの書き込みです。
QMK/Viaに対応したファームウェアは、VIAサイトの[Firmware Downloads]ページから対応したものをダウンロードして使えます。
ファームウェアの書き込みは、QMK Tookboxを使いました。
PCと接続しメイン基板のリセットピンをピンセット等を使い短絡させます。
QMK Tookboxの[Flash]ボタンが押せる状態になるので、クリックしてファームウェアを書き込みます。
以下のように表示されればファームウェアの書き込みは成功です!
VIA上でキースイッチの動作やLEDの点灯テストを行い問題がなければケースの取り付けです。
余談になりますが、最近QMK/Vialファームウェアに統一して自作キーボードを使っているのですが、waffling60ではVial対応ファームウェアが提供されていないようなので自作してみました。
waffling60ユーザーでVialファームウェアの方が使い勝手が・・・といった方は使ってみて下さい!
ケースの取付
最後にケースの取付です。
必要ならスタビライザーを取り付け、キースイッチ&スイッチプレートを取り付けます。
OリングはメインPCBとキープレートの間に装着します。
そこそこテンションがかかるので慎重に・・・
ケースにUnified Daughterboardを固定し(M2×5mmビス使用)、あとは基板をスポッとケースにはめ込みます。
グッと押し込むとOリングがケース側面にある出っ張りに当たりそこで止まります。
これで完成です!
アリエクで買ったこのキーキャップも透明ケースに可愛くマッチしていて良いですね!
使用パーツ一覧
今回使用したパーツの一覧です。
PCBAを利用する場合も発注のタイミングによりパーツの在庫が無く自身で実装する必要が出てくる場合もあるので参考にして下さい!
メイン基板
| パーツ | 定数 | 入手先 |
| コンデンサ (0603) | C301/C302/C303/C304/C305/C311 100nF C306/C309 4.7μF C307/C308 1μF C310 470nF | AliExpress |
| 抵抗 (0603) | R301/R302 5.1kΩ※カット可 R303/R304/R306/R307 10kΩ R305 100kΩ R308 470Ω | AliExpress |
| フェライトビーズ (0805) | L301 100Ω | AliExpress |
| ヒューズ (1206) | F301 500mA | AliExpress |
| LDO | U304 XC6206-3.3V(SOT-23) | AliExpress |
| MOSFET | Q301 Si2301CDS(SOT-23) | AliExpress |
| Q302 2N7002K | 秋月電子 / AliExpress | |
| TVSダイオード | D301 SRV05(SOT-23) | AliExpress |
| MCU | STM32F072CBT6 (STM32F072C8T6) | AliExpress |
| JST-SHコネクタ | CON302 JST-SH(4P) | AliExpress |
| LED | WS2812B/2020 × 16 | 秋月電子 / AliExpress |
| MXソケット | ホットスワップソケット×66 ※レイアウトにより | 遊舎工房 / AliExpress |
| ケーブル | JST-SH(4P)ケーブル 15cm | AliExpress |
| その他 | Oリングガスケット (VMQ-50(Silicone 50 duro) AS568-262) | Amazon |
| ※必要に応じてスタビライザー | ーーー |
USBドーターボード
| パーツ | 定数 | 入手先 |
| USB端子 | J1 Type-C(16P) | 秋月電子 / AliExpress |
| フューズ (1206) | F1 500mA | AliExpress |
| 抵抗 (0402) | R1/R2 5.1kΩ | AliExpress |
| ESD保護IC | U1 TPD4E05U06DQAR | AliExpress |
| TVSダイオード | D1 SMF6.0A | AliExpress |
| JST-SHコネクタ | J2 JST-SH(4P) | AliExpress |
最後に!
製作して2ヶ月ほど使っていますが、自設計の40%キーボードと共に現在メインの常用キーボードとして使っています。
CADで確認した時点でPCB・ケース共に作ってみたいと思わせる素晴らしい設計のキーボードだと感じ実際に製作に至りましたが、JLCPCBで作った3Dプリントケースの仕上がりも非常に良く・・・
お気に入りキーボードがまた一つ増えました!
本記事は今回製作したwaffling60で書いていますが、自作キーボードは作る楽しさに加え実際に使う楽しさもあるのがいいですね。
基板やケースデータをお借りしてCAD上で組み上げ、内部回路や基板設計などにも触れることができ、今回もいろいろと吸収することが出来た楽しい製作になりました!





























































コメントを残す