Raspberry Pi Pico2で使われているRP2350チップが秋月電子やスイッチサイエンスなど国内ショップでも取り扱われるようになりました。
これでRP2350を使った自作開発ボードやPico2互換ボードといったものの製作がしやすくなりました。
そこで先日、RP2350Aを使い最小構成で組んだブレークアウトボードを製作しました。
今後RP2350A(またはRP2354A)を扱った自作基板を製作する際のテスト回路を組むなどで利用しようと考えています。

そしてRP2350シリーズのチップにはAタイプのチップ以外に、使えるGPIOの数が多いRP2350BやRP2354BといったBタイプのチップもあります。
上記記事ではAタイプのチップを使ったブレークアウトボードを製作したのですが、同構成でBタイプのチップ(RP2350B / RP2354B)を使ったボードも設計していたので、今回RP2350BまたはRP2354Bで使えるブレークアウトボードを製作してみました。
目次
最小構成で組むRP2350B / RP2354Bブレークアウトボードの製作!
まずRP2350を動かすための回路構成や基板設計に関してですが、Raspberry Pi公式さんが公開されている資料が参考になりました。
Raspberry Pi公式サイト『Raspberry Pi Datasheets』には、ラズパイさんが扱われているハードウェアやチップに関する多くの参考資料をダウンロードすることが出来ます。
Raspberry Pi Picoで使われているRP2040やPico2のRP2350関係の資料は、ラズパイのエンジニアさんが検証して書かれている『ハードウェア設計ガイド』が非常に参考になります。
またそれらマイコンを使い最小構成で組んだボードのKiCad設計データ『RP◯◯ Minimal』も大変参考になりました。
RP2350用に書かれた『ハードウェア設計ガイド』や『RP2350 Minimal』も公開されているので、RP2350を使い初めて基板設計する際は非常に参考になる資料なので一度目を通しておくのがいいかもしれません。
RP2350のハードウェア設計ガイドがラズパイ公式さんで公開されているね!
初めてRP2040使ったPCB作ったときに参考にしたことがあるけど、これ公式さんが公開しているだけあってめちゃ参考になるのよねー!
時間あるときに読んでいこう📝https://t.co/8SZHnXhuv8 pic.twitter.com/l2HkOaA7GP
— ガジェット大好き!! (@smartphone_jp1) August 9, 2024
上記Raspberry Pi Datasheetsからダウンロード出来るKiCadデータ『RP2350 Minimal』の回路図や基板データと照らし合わせながら『ハードウェア設計ガイド』を読み進めていくと理解も深まると思います。
『ハードウェア設計ガイド(hardware-design-with-rp2350.pdf)』を翻訳したPDFファイルをダウンロード出来るようにしておきます。
非公式のものとなりますが、翻訳されている方が読みやすいかと思いますので参考になればと思います。
今回製作したRP2350B / RP2354Bブレークアウトボードは、上記『RP2350 Minimal』を参考に『ハードウェア設計ガイド』を読み進めながら製作した最小構成で組んだボードとなります。
RP235xシリーズについて!
簡単にRP2040の後継チップとなるRP235xシリーズのチップについて書いておきます。
RP235xシリーズには4つの異なるチップモデルがあります。(参考)
CPUがRP2040のARM Cortex-M0+からARM Cortex-M33に強化されRISC-Vも搭載されています。
Raspberry Pi Pico2に搭載されているのはRP2350Aチップとなります。
計30本のGPIOピンが使えアナログ入力(ADC)が4本となっているのはRP2040と同様です。
さらにRP2354Aでは内臓のフラッシュストレージも搭載されています。
RP2350A / RP2354Aは電源まわりのピンが増えRP2040のQFN-56パッケージからQFN-60に変更されているのでハードウェア的に互換性はありませんが、チップとしては上位互換的なチップになるかと思います。
そしてBタイプのRP2350B / RP2354BチップではQFN-80パッケージとなり、使えるGPIOピンの数が計48本・8本のADCが使えます。
こちらもフラッシュが未搭載のRP2350Bと内臓フラッシュが搭載されたRP2354Bがあります。
現状この4チップがリリースされていることになるようです。
上記Raspberry Pi公式サイトでは、RP235xAチップとRP235xBチップを使った2パターンのKiCadデータ(Minimal)が公開されています。
これを参考に前回はRP235xAチップに対応したブレークアウトボードを製作しました。

今回はRP235xBチップの方に対応したブレークアウトボードを製作した話となります。
前回と同様、ラズパイ公式さんが公開されているKiCadデータ『RP2350 Minimal』を参考に『ハードウェア設計ガイド』と照らし合わせながら製作を進めていきました。
RP2350 Minimalとハードウェア設計ガイドを参考に設計を進めていく
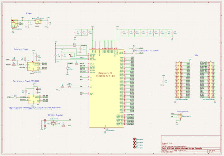
こちらは、ラズパイ公式さんが公開されている『RP2350 Minimal』です。
RP2350B(またはRP2354B)で使える48本全てのGPIOピンを引き出し最小構成で組まれたボードとなります。
今回製作したものはほぼこのボードのコピーみたいなものとなりますが、今後RP2350を使った自作基板を製作することを想定してこのKiCadデータとハードウェア設計ガイドを参考にし照らし合わせながら1から自分で作っていくことにしました。
配線幅やラズパイエンジニアさんが検証した最適なパーツの配置&レイアウト、またKiCadの基板デフォルト設定やゾーンの作り方など・・・、非常に参考になる資料でした!
Pico2といった既存ボードでは内部的に使われているGPIOピンがいくつかあります。(GP24/GP29など)
これらの機能を排除しRP2350で使える全てのGPIOピンを引き出し最小構成で組むといった上記Minimalのボードコンセプトに従い、USB端子やI/Oピンの配置、ボードサイズなど自分の環境で使いやすくなるように手を加えたボードとして製作していきました。
電源まわりの外部コンポーネントの配置
こちらはRP2350 Minimalの回路構成です。
Raspberry Piのエンジニアさんが検証して設計されたものなので、RP2350チップまわりで使用されているパーツの接続や定数などは基本的にこれに従う形になるかと思います。
使えるGPIOピンの数が違うだけで、あとはRP235xAタイプもRP235xBタイプも基本回路構成は同じです。
RP2040の設計から大きく変わった部分は、電源レギュレータ部分になります。
RP2040では内部電源用の1.1V内蔵リニアレギュレータが搭載されていましたが、RP235xではスイッチングレギュレータ(DC/DC)に変更されています。
そのため5つの電源用のピンが増え、さらにそれを動作させるための外部コンポーネントの接続が必要となっています!
RP2040の100mAリニアレギュレータからRP235xでは200mAスイッチングレギュレータに変更されパフォーマンスは上がったようですが、外部接続で必要となるパーツが増え、公式ドキュメントではこれらパーツの定数やレイアウトに関しても詳細に記述されています。
Raspberry Piのエンジニアさんが多くの労力を費やして設計された部分になるようです。
詳細はハードウェア設計ガイドを読み進めて頂くと分かると思いますが、電源部分で使われているインダクタの推奨パーツや周辺パーツの配置などについても言及されています。
0806サイズのチップインダクタ(L1)が使われているのですが、一般的にこのサイズ(小さいもの)のインダクタには極性(コイルの巻き方向)が分かる刻印がされていないので、極性が分かるようにAbraconと協力して極性を示すドットが入ったインダクタ(AOTA-B201610S3R3-101-T )を製造されたようです。
今回このインダクタの入手ができなかったので、手持ちのPico2くんから取り外して使いました!
このインダクタを使い推奨レイアウトに配置するように書かれています。
この電源部分のパーツレイアウトに関してはRP2350のデータシートにも記述されています。
自作RP2350ブレークアウトボードとして設計
先述の通りRP2350 Minimalを参考にハードウェア設計ガイドと照らし合わせながら本ボードの製作を進めていきました。
RP2350 Minimalとほぼ同じ回路構成となりますが、大きく変更した箇所はUSB端子と出力端子部分です。
RP2350 MinimalではMicroUSB端子が使われていますが、これはType-C端子に変更した方が使いやすいですね!
またMinimalから出力端子の数や構成を変えています。
Minimalでは片サイド2列で内側がGPIOピンとなり外側の端子は全てGNDピンとなっています。(下写真右)
本ボードでは前回製作したボード同様、ピンヘッダー&ピンソケットという組み合わせでGPIOを取れるようにしました。(下写真左)
RP2350B(またはRP2354B)が動く最小構成で組んだボードなので、テスト等で使う場合ここから外部に組んだ多くのパーツや回路と接続して使うことが想定されます。
ワイヤーのオス or メスに関係なくGPIOピンに挿せるようにしておくのは便利だと思います。
そして、基板背面にRP2350Bで使う場合のセカンダリフラッシュ(PSRAM)も実装出来るようにしているのはMinimalと同様です。
内蔵フラッシュにプラスしてセカンダリフラッシュを接続する場合は、ジャンパーパッド(J2)を短絡させます。
その際のCSピン(チップセレクトピン)は、使用できる最も近いGPIO0を使う形にしています。
基板表面のジャンパー(J1)も同様です。
またピン数を片側2×30ピンに増やし(Minimalでは2×26ピン)、電源ピン(5V/3.3V)やGNDピンを多く取るなどしています。
またデバッグ用の専用端子は排除し、こちらから取れるようにしています。
PCBWayに基板を発注
基板の製造はPCBWayを利用しました。
今回製作したボードの基板データ(ガーバーファイル)をダウンロード出来るようにしておきます。
何かの参考になればと思います。
PCBWayでの基板発注方法についても少し見ておきます。
PCBWayの発注では、仮見積もりの段階で発注項目を選択していきます。
オプションとしては、基板製造時に入る製造番号[Remove product No.]を削除するオプション[Yes(extra+$1.5)]を選択しました。
レジスト(基板カラー)やシルクの色はお好みで!
あとRP2350Bチップの背面GNDビアは、ラズパイ公式さんのフットプリントでは0.25mmホールで作られています。
[最小ビア径]は一応[0.25mm]を指定しておきましたが・・・
ビア径に関してはレビュー時点でエンジニアチェックが入りますが、料金は変わらないようです!
今回製作したボードは実装しやすいように0603サイズのパーツをベースで使っています。(一部0805もあります)
そのため、はんだ作業にある程度慣れた方なら手はんだでの実装も十分可能だと思いますが、今回QFN-80のRP2350Bを使うのが初めてだったのでメタルマスク(ステンシル)も一緒に発注しました。
ヒートガンやリフローでパーツを実装する場合、あると便利でパーツ実装の作業効率も上がります!
メタルマスクも一緒に発注する場合は、下にある[メタルマスク]にチェックを入れ項目を選択していきます。
[メタルマスクの種類]は[枠なしメタルマスク]を選択します。[枠なしメタルマスク]を選択した場合、基板サイズに応じてPCBWayさんが適度なサイズにカットしてくれます。
あと実装面は表面となるので、[メタルマスクサイド]を[表面のみ]に指定しておきます。
メタルマスクの指定は以上です。
上記項目の選択が出来たら基板データ(ガーバーファイル)をアップロードしてレビュー&発注へと進みます。
通常発注で基板製造料金が5ドル、製造番号削除オプションが1.5ドル、ステンシル料金が10ドル、そして配送料金10ドル(OCSを選択しました)を合わせトータルコストは27ドルほどとなりました。
PCBWayでの基本的な基板発注方法に関しては、こちらの記事で詳しくまとめています。
あわせて見て頂ければと思います。

基板の到着
発注後、一週間ほどで手元に基板が届きました。
少し料金は高くなりますが、今回表面処理にENIG(無電解金フラッシュ)を選択して発注しました。
綺麗な金メッキ仕上げですね!
ENIGでは通常のHASL(有鉛はんだベラー)と比べるとパッド表面が平坦(均一)に仕上がるので、RP2350といったパッドのピッチが狭いICチップなどを扱う場合のリフローでブリッジやはんだ不良といったことが起きにくいので最近選択するようになりました!
表面処理の違い!
←ENIG HASL→比べてみると平らで綺麗ね! pic.twitter.com/l9TZgdpUhp
— ガジェット大好き!! (@smartphone_jp1) April 7, 2024
パーツの実装
ベースパーツのパッケージを0603にしているので、はんだ付けに慣れている方なら手はんだでの実装も十分可能だと思いますが・・・
RP2350Bの位置合わせは、手作業だと結構難しいと思います!(下写真はRP2350AとRP2350Bの比較です)
リフロー(またはヒートガン)を使い実装する場合はセルフアライメントにより正規の位置にチップが動いてくれるので、後は位置さえ合ってくれればブリッジ等の修正が必要な場合でも手はんだで比較的簡単に修正することが出来ます。
それではパーツの実装です。
ステンシルを使いはんだペーストを塗布します。
RP2350はこれくらい綺麗に塗布出来ていれば問題ないと思います。
パーツの実装はMHP50というミニリフロー装置を使いました。
自作基板の製作でいつも愛用している非常に便利なリフロー装置です。

本ボードは約52mm×78mmとMHP50のホットプレートサイズ(50mm×50mm)を超えているので、このような専用スタンドを使い実装しました。
MHP50のホットプレートサイズを超える基板にも対応出来るので非常に便利です!

リフロー完了!
Arduino IDEからテストで書き込んでLチカ成功。ピン数多いから、はんだ不良確認のために全GPIOピンを確認してるのだが、GP29以降が反応しない…🤔 pic.twitter.com/7veKQgaHqh
— ガジェット大好き!! (@smartphone_jp1) May 17, 2025
背面のセカンダリフラッシュは今回は未実装としています。
動作確認
パーツの実装が出来たら動作確認です。
まずフラッシュチップのCSピン(チップセレクトピン)のジャンパーの選択です。
RP2350Bチップで使う場合、フラッシュが内蔵されていないのでジャンパーをこの位置(1)で短絡させておきます。
その際のCSピンはGPIO0ピンに接続されます!
ジャンパーを短絡させたら通電して動作確認なのですが、初めての電源投入では電源ラインの短絡チェックは必須ですね!
以前製作したUSB電源管理ボードが便利に使えました。
電源ラインの短絡があると強制的にオフにしてくれる短絡チェッカーとしても使えるので、自作基板製作でパーツ実装後の短絡チェックで非常に役立っています!

電源ラインの短絡チェックを行い問題が無いようなので、Arduinoスケッチを書き込みLチカテストをやってみました。
Arduino IDEの[ボード]に[Generic RP2350]を選択しLチカスケッチを書き込み・・・
オンボードLED(GPIO25)が無事点灯してくれました!
RP2350Bは使えるGPIOの数が48本と多いのではんだ不良等の確認のために全GPIOピンでLチカテストをやったのですが、GPIO29以降のピンの反応がなく・・・
どうやら[Generic RP2350]ではAタイプのチップ(GPIO0~GPIO29が使えます)にしか対応していないようです。
RP2350Bチップを搭載した[Pimoroni PicoPlus2]や[Pimoroni PGA2350]あたりのボード設定で書き込むと、GPIO29以降のピンも使うことが出来ました。
分かった⭕️
ボード『Generic RP2350』ではGP29以降のピンが反応しないみたい!
Aチップで使うこと前提なのかな?RP2350B搭載のボード『Pimoroni PicoPlus2』でとりあえず書き込んでみたらGP30-GP47も反応した!
よし完成👌 pic.twitter.com/FXxaRqFBFi— ガジェット大好き!! (@smartphone_jp1) May 17, 2025
今後製作を考えているNESエミュレーターを動かしてみたり・・・
一通り動作確認をして問題ないようなのでピンヘッダーを取り付けて完成させました。
NESエミュ動かせた😁
諸々動作チェックはOK🆗30Pのピンソケットが不足してたのでアリエク到着待ち・・・ pic.twitter.com/vu6bB3nTmy
— ガジェット大好き!! (@smartphone_jp1) May 18, 2025
ピンヘッダー&ピンソケットという組み合わせで取り付けました。
使用パーツ一覧
今回使用したパーツの一覧です。
公式さんが推奨されているインダクタ(L1)は現在LCSCでは扱われているようですが、国内ショップではまだ入手出来ないようですね。
RP2350とセットで使うことが推奨されているパーツなので、国内ショップでも扱ってもらいたいところです!
| パーツ | 定数 | 入手先 |
| コンデンサ (0805) | C1/C2/C22 10μF | AliExpress |
| コンデンサ (0603) | C3/C4 15pF C5/C6/C7/C8 4.7μF C9-C20 100nF | AliExpress |
| ダイオード (SOD-123) | D1 1N5819W | AliExpress |
| USB端子 | J1 Type-C(16P) | 秋月電子 / AliExpress |
| インダクタ (0806) | L1 3.3μH | LCSC |
| LED (0603) | LED1(PWR)/LED2(Board) | AliExpress |
| 抵抗 (0603) | R1/R2 5.1kΩ R3/R4 27Ω R5/R9/R10/R11/R12 1kΩ R6 33Ω R7 10kΩ | AliExpress |
| タクトスイッチ | SW1/SW2(3mm×4mm SMD) | AliExpress |
| MCU | U1 RP2350B | 秋月電子 / AliExpress |
| LDO | U2 AMS1117-3.3 | AliExpress |
| フラッシュ | U3 W25Q128JVPIQ | AliExpress |
| クリスタル (3225) | Y1 12MHz | 秋月電子 / AliExpress |
| その他 | ピンヘッダー or ピンソケット(30P) ※お好みで! | AliExpress |
| ※基板背面の未実装パーツ(U4/R8/C21)はリストには入れていません! | ||
最後に!
RP2350Bを使った初めての基板設計となるため、前回と同様にRaspberry Pi公式さんが公開されている資料を参考にしながら製作を進めていったのですが、非常に参考になる資料でした!
今回製作したボードは公式さんが公開されている資料を参考にほぼコピーしたようなものとなりますが、『ハードウェア設計ガイド』や『RP2350データシート』を読み進め『RP2350 Minimal』のKiCadデータと照らし合わせながら設計を進めていくと非常に参考になり理解も深まりました。
最小構成で組んだこのようなボードは、今後RP2350を使った自作基板製作のテスト回路を組む際などで便利に使えると思います。
何かの参考になれば・・・












































コメントを残す