製作が完了したので追記記事を書きました。
あわせて見て頂ければと思います。

Raspberry Pi Pico2で使われているマイコンチップRP2350が秋月電子やスイッチサイエンスといった国内ショップでも扱われるようになりましたね!
これでRP2350を使った開発ボードや自作基板を製作することが出来ます。
以前、RP2040を使った初めての自作基板を製作した際に最小構成で組んだこのようなボードを製作しました。
RP2040を使った自作基板製作のテスト回路を組む時などで便利に使っています。

今後RP2350を使った自作基板の製作も考えており、そしてRP2350は初めて扱うので上記ボードコンセプトのような最小構成で組んだブレークアウトボードをまず製作してみようかと考えています。
RP2350を動かすには、どのような基本回路構成で組めばいいのか?
まずここからのスタートになりますが、Raspberry Pi公式サイトには多くの資料が公開されています。
Raspberry Pi公式サイトにはRP2350を使ったKiCadのサンプル基板データやハードウェアデザインガイドが公開されています。
これらはラズパイのエンジニアさんが検証して書かれているものとなり、非常に参考になる資料なのでこれをベースにボード設計を進めていくことにしました。
目次
RP2350を使った初めての基板設計。最小構成で組むRP2350A/RP2350Bブレークアウトボードの製作![その① 基板設計・発注]
まずRP2350を動かすための回路構成や基板設計に関してですが、先述の通りRaspberry Pi公式サイト『Raspberry Pi Datasheets』にはRP2350を使った回路や基板設計においてRaspberry Piのエンジニアさんが検証して書かれている『ハードウェアデザインガイド』が公開されています。
RP2350を使い初めて基板設計する際に非常に参考になる資料なので、一度目を通しておくのがいいと思います。
参考 Raspberry Pi DatasheetsRaspberry PiRP2350のハードウェア設計ガイドがラズパイ公式さんで公開されているね!
初めてRP2040使ったPCB作ったときに参考にしたことがあるけど、これ公式さんが公開しているだけあってめちゃ参考になるのよねー!
時間あるときに読んでいこう📝https://t.co/8SZHnXhuv8 pic.twitter.com/l2HkOaA7GP
— ガジェット大好き!! (@smartphone_jp1) August 9, 2024
ダウンロードした『ハードウェア設計ガイド(rp2350/hardware-design-with-rp2350.pdf)』は英語で書かれているので、回路図や基板データと照らし合わせ読み進めていくには日本語翻訳されていた方が読みやすいかなということで、翻訳したPDFファイルを作成したので下記からダウンロード出来るようにしておきます。
非公式のものとなりますが、参考になればと思います。
また『RP2350 Minimal(rp2350/Minimal-KiCAD.zip)』という最小構成で組んだボードのKiCadデータも公開されていて、こちらも上記サイトからダウンロードすることが出来ます。
RP2040を使った初めての基板設計では、『ハードウェア設計ガイド(RP2040版)』と『RP2040 Minimal』、この2つは非常に参考になりました!

今回もRP2350版として公開されているこの2つの資料を照らし合わせ参考にしながら設計を進めていきました。
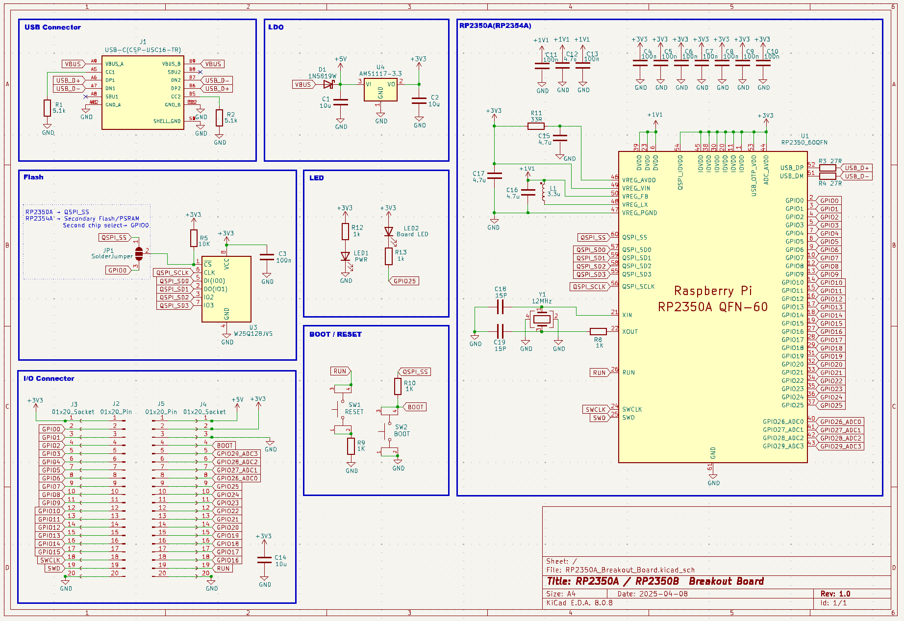
Raspberry Pi Pico2で内部的に使われている回路(GPIO23・GPIO24・GPIO29周辺回路)をカットし、RP2350で使える全GPIOピン(30本)を引き出し最小構成で組んだボードを製作する予定です。
余計な回路?をカットし最小構成で組んだこのようなボードは、製作後RP2350を使った他の自作基板製作やテスト等で便利に使うことが出来ると思います。
RP235xシリーズについて?
簡単にRP235xシリーズのチップについて書いておきます。
RP235xシリーズには4つの異なるチップモデルがあります。(参考)
まずRP2350AはRaspberry Pi Pico2に搭載されているマイコンチップ(MCU)で、CPUがRP2040のARM Cortex-M0+からARM Cortex-M33に強化されRISC-Vも搭載されています。
さらにRP2354Aでは内臓のフラッシュストレージも搭載されています。
内蔵フラッシュと外部接続したセカンダリフラシュ(PSRAM)を使うことも出来るようです。
RP2350A / RP2354Aは電源まわりのピンが増えRP2040のQFN-56パッケージからQFN-60に変更されているのでハードウェア的に互換性はありませんが、チップとしては上位互換的なチップになるかと思います。
またRP235xシリーズにはさらにピン数が多いRP2350Bチップもあります。
RP2350A / RP2354Aでは30本のGPIOピン(内ADC4本)とRP2040と同じでしたが、RP2350Bではさらに多い48本のGPIOピン(内ADC8本)を使うことができチップサイズが大きくなっています。(QFN-80)
さらにこのRP2350Bにフラッシュを内蔵したRP2354Bもあり、現状この4チップがリリースされていることになるようです。
上記Raspberry Pi公式サイトでは、RP235xAチップとRP235xBチップを使った2パターンのKiCadデータ(Minimal)が公開されています。
今回、RP235xAチップ(RP2350A / RP2354A)を使ったデータを参考に、初めてのRP2350自作ボードの製作を進めていきました。
RP2350 Minimalとハードウェア設計ガイドを参考に設計を進めていく
こちらはラズパイ公式さんが公開しているRP2530 Minimalです。
RP2530A(またはRP2354A)の30本全てのGPIOピンを引き出し最小構成で組まれたボードとなります。
今回製作を考えている自作ボードはほぼこのボードのコピーみたいなものとなりますが、今後RP2350を使った自作基板を製作することを想定してこのKiCadデータとハードウェア設計ガイドを参考にし照らし合わせながら1から自分で作っていくことにしました。
配線幅やパーツの配置、ゾーンの取り方など・・・、非常に参考になる資料でした!
これを参考にUSB端子やI/Oピンの配置・ボードサイズなど自分の環境で使いやすくなるように変更し、使用するパーツ構成も少し変えて設計していきました。
電源まわりの外部コンポーネントの配置
こちらはRP2350 Minimalの回路構成です。
Raspberry Piのエンジニアさんが検証して設計されたものなので、RP2350チップまわりで使用されているパーツの定数などは基本的にこれに従う形になるかと思います。
RP2040の設計から大きく変わった部分は、電源レギュレータ部分になります。
RP2040では内部電源用の1.1V内蔵リニアレギュレータが搭載されていましたが、RP235xではスイッチングレギュレータ(DC/DC)に変更されています。
そのため5つの電源用のピンが増え、さらにそれを動作させるための外部パーツの接続が必要となっています。
RP2040の100mAリニアレギュレータからRP235xでは200mAスイッチングレギュレータに変更されパフォーマンスは上がったようですが、外部接続で必要となるパーツが増え、公式ドキュメントではこれらパーツの定数やレイアウトに関しても詳細に記述されています。
Raspberry Piのエンジニアさんが多くの労力を費やして設計された部分になるようです。
詳細はハードウェア設計ガイドを読み進んで頂くと分かると思いますが、電源部分で使われているインダクタの推奨パーツや周辺パーツの配置についても言及されています。
0806サイズのチップインダクタが使われているのですが、一般的にこのサイズ(小さいもの)のインダクタには極性(コイルの巻き方向)が分かる刻印がされていないので、極性が分かるようにAbraconと協力して極性を示すドットが入ったインダクタ(AOTA-B201610S3R3-101-T )を製造されたようです。
このインダクタを使い推奨レイアウトに配置するように書かれています。
この電源部分のパーツレイアウトに関してはRP2350のデータシートにも記述されています。
JLCPCBのサイトにBOMをアップロードすると、RP2350のガイドを読んで配置等ちゃんと理解してるか?的な警告が出るの面白い。
うん、めっちゃ読んだよ😏 https://t.co/onEkqVwmCO
— ガジェット大好き!! (@smartphone_jp1) April 22, 2025
Raspberry Pi Pico2互換ボードやRP2350を使ったボードは最近よく見かけるようになり調べてみると、この部分の設計はラズパイさん推奨の上記インダクタを使い推奨レイアウトで設計されているものが多いようですね!
RP2350を使った初めての設計なので、ガイドに従い推奨パーツ&レイアウトで設計を進めているのですが・・・
しかしこのインダクタですが、本記事執筆時(2025.04現在)簡単に入手出来るところがあまりなく!
LCSCでは扱われているようですが、RP2350とセットで使うことが推奨されているインダクタなので国内ショップでも扱ってもらいたいところです。
RP2040の設計から大きく変わった部分はこの電源ピンまわりの設計になるかと思います。
RP2350ブレークアウトボードとして設計
先述の通りRP2350 Minimalを参考にハードウェア設計ガイドと照らし合わせながら自作ボードとして製作を進めていきました。
RP2350 Minimalとほぼ同じ回路構成となりますが、大きく変更した箇所はUSB端子と出力端子部分です。
RP2350 MinimalではMicroUSB端子が使われていますが、これはType-C端子に変更した方が使いやすいですね!
またMinimalから出力端子の数や構成を変えています。
Minimalでは片サイド2列で内側がGPIOピンとなり外側の端子は全てGNDピンとなっています。(下写真右)
同コンセプトで以前製作したRP2040ボードでは、ピンヘッダー&ピンソケットという組み合わせでGPIOを取れるようにしたのですがこれは便利でした。
RP2350が動く最小構成のボードなので、テスト等で使う場合ここから外部に組んだ多くのパーツや回路と接続して使うことが想定されます。
ワイヤーのオス or メスに関係なくGPIOピンに挿せるようにしておくのは便利です。
朝のマイコン遊び🤤
次作る基板とその先にある作りたい基板のテストを兼ねて、動作テスト出来る環境をゴニョゴニョと・・・ pic.twitter.com/VcU7lh0msc— ガジェット大好き!! (@smartphone_jp1) April 15, 2025
またピン数を片側2×20ピンに増やし(Minimalでは2×18P)、外部電源としても使える5VピンやBOOTピンを増やしました。
そして本ボードはRP2350Aで使うことを想定していますが、フラッシュが内蔵されたRP2354Aでも使えるようにしています。(Minimalと同じ構成です)
RP2354Aで使う場合、内蔵フラッシュが使えるのでQSPI接続する外部フラッシュ部分の回路はカット出来るため未実装として使える予定です。
内蔵フラッシュにプラスしてセカンダリフラッシュを接続する場合は、ジャンパーパッドを3の位置で短絡(RP2350Aでは1の位置)させれば使えるようにしています。
その際のCSピン(チップセレクトピン)は、使用できる最も近いGPIO0を使う形にしています。
CSピンに接続しているプルアップ抵抗R5は、指定されたフラッシュチップを使う場合自動的にプルアップされるため不要となることがラズパイさんで検証されていますが、別のフラッシュチップを使う場合は電源投入時(起動時)にCSピンをHIGH状態に確実にプルアップしておく必要があるため入れています。
これはRP2040の時と同様となります。
PCBWayに基板を発注
基板の発注はPCBWayを利用しました。
PCBWayでの基板発注方法についても少し見ておきます。
仮見積もりの段階で発注項目を選択していきます。
基板製造時に入る製造番号を削除するオプション(1.5ドル)のみ選択しておきました。
レジスト(基板カラー)やシルクの色はお好みで!
RP2350 Minimalでは0402サイズのパーツが使われていますが、本ボードでは実装しやすいように0603サイズのパーツを使いました。
そのため、はんだ作業に慣れている方なら手はんだでも十分実装が可能だと思いますが、RP2350の実装は初めてなのでヒートガンやリフローでパーツ実装をすることを想定し、メタルマスク(ステンシル)も一緒に発注しておきました。
上記項目の選択が出来たら基板データ(ガーバーファイル)をアップロードして発注&レビューに進みます。
通常発注で基板製造料金が5ドル、製造番号削除オプションが1.5ドル、ステンシル料金が10ドル、そして配送料金10ドル(OCSを選択しました)を合わせトータル26ドルほどとなります。
PCBWayの基本的な基板発注方法はこちらの記事で詳しくまとめています。
あわせて見て頂ければと思います。

パーツを実装し動作確認等問題がなければ、いつものように基板データをダウンロード出来るように追記しておきます!
【追記】
製作が完了したので、ガーバーファイルをダウンロード出来るように追記しました。
何かの参考になればと思います。(2026.05.16 一部シルクに誤りがあったので修正済みデータに差し替え)
最後に!
RP2350を使った初めての基板設計となるため、Raspberry Pi公式さんが公開されている『RP2350 Minimal』と『ハードウェア設計ガイド』を参考にしながら製作を進めていったのですが、非常に参考になる資料です!
そして今後RP2350を使ったゲームエミュレータ基板やPico2互換ボードなどの製作も考えています。
朝遊び🤤
ファミコンコントローラー(改造)のキーマップ変更のためファームを書き換えて・・・コントローラーでも遊べるようになった👌 https://t.co/SGGB9tdNrA pic.twitter.com/wlA9W38D4r
— ガジェット大好き!! (@smartphone_jp1) April 19, 2025
基板設計の際のテスト回路を組む時にRaspberry Pi Pico2といった既存ボードを使うと内部回路の構成等の問題でテストしにくい場面が出てくることがあるのですが、今回製作しているような最小構成で組んだシンプルなボードがあると組みやすく、それをPCB化する時に間違い等も発見しやすくて便利だと思います。
ちょうど本記事を書いている時にPCBWayに発注していた基板が届きました。
パーツ実装の話など製作が完了したら、あらためて追記記事でご紹介出来ればと思います。(追記しました)

























[…] 【自作基板 / 電子工作】RP2350を使った初めての基板設計。最小構成で組むR… […]
[…] 【自作基板 / 電子工作】RP2350を使った初めての基板設計。最小構成で組むR… […]